| Freeze Rev C PCB, flash ROM temporarily removed. |
| Main PCB, LM317 temporarily removed. |
There was no sign of life, I found that the series Schottky diode at the 9V input had failed open-circuit and that the LM317 had an internal short between it's input and output pins. The fast/slow/latch mode switch also fell to pieces when the board came out of the enclosure.
I replaced the bad diode with an SS14L (it was the correct size and I already had some at hand) and installed a new LM317. I thought that the LM317 was supplying 3.3V to the DSP and this would fix everything. Instead, the pedal would pass a clean signal but with a clicking sound once or twice per second. I found out that LM317 is actually used as a 1.25V regulator, which is only used for the analog VCC of the DSP56374.
I thought the clicking may be the DSP watchdog timer firing, possibly because it was missing program code, so I removed the flash memory and dumped it. It was a perfect match for the dump I made of the first pedal I repaired, so no problem there.
Measuring power at every IC I found that the 5V rail was high at around 5.9V and the 3.3V supply was sitting at 3.9V. I thought that U5 and U8 (both SOT-89 packages) were also voltage regulators and that maybe they had been damaged as well. I also noticed that U6 is connected to the reset pin of the DSP, and it was resetting the DSP every second or so. My guess is that U6 (also connected to the 3.3V supply) is some kind of voltage supervisor and it is resetting the DSP because of an incorrect 3.9V at VCC.
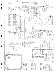
I found a great picture at freestompboxes (thanks to Steven_M!) showing that on previous version, U5 was 78L05 (5V regulator) and U8 was BA932 (who knows, but from context it has to be a 3.3V regulator).
| U5 & U8 on another revision. |
The Rev C board in front of me had "BA420" on both chips. Possibly EHX decided to run all 5V parts off of 3.3V, and doubled up on regulators? I don't know.an
To test this out, I decided to remove both chips and apply 5V and 3.3V from external power supplies.
![]() |
| U5 & U8 removed, external power applied |
This set up was a little awkward, but everything work correctly. Current draw looked totally reasonable, 19mA from the 5V supply and 21mA from the 3.3V. No resetting, no clicking, and the pedal could freeze audio in all 3 modes.
![]() |
| Current draw on 5V and 3.3V supplies. |
I ordered L78L05ABUTR and MCP1804T-3302I/MB as replacement 5V and 3.3V SOT-89 regulators. I also used 2MD3T2B2M2RE as a replacement switch. This replacement is not threaded for a nut, but recent version of the Freeze don't look like they are threaded either. Pedal works like new.












